
一、ODQC型振動器特點:
1、在空間任意方向安裝使用。
2、在管路上加節流閥可調頻。
3、使用方便,只需用一根通氣管即可。
4、振動力大。
5、壽命長。
6、材質為碳鋼和不銹鋼兩種。
二、 ODQC型振動器結構及作用原理:

打開二位三通電磁閥(常通或常閉),高壓氣體通過通道5進入活塞下腔如圖一。推動活塞上行,活塞上腔氣體被擠壓通過排氣孔排出。當活塞上行到終點時,氣體通過槽和氣道自動換向使氣體進入活塞上腔。如圖二。高壓氣體壓活塞下行至終端第一循環結束,第二循環開始,依次不斷的往復循環使激振器產生平動和晃動,從而產生振動力。活塞兩端是低壓區產生背壓,故而不撞擊。
三、ODQC型振動器技術性能參數:

四、 QJQ3型振動器技術性能參數:
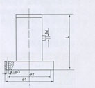
| 振動器型號 | L | Φ1 | Φ2 | Φ3 | 進氣口M |
| ODQC-32 | 100 | 70 | 58 | 8 | G1/8" |
| ODQC-40 | 130 | 78 | 66 | 8 | G1/8" |
| ODQC-50 | 130 | 88 | 76 | 8 | G1/8" |
| ODQC-63 | 140 | 108 | 94 | 10 | G1/4" |
| ODQC-80 | 140 | 130 | 115 | 10 | G1/4" |
| ODQC-100 | 150 | 154 | 136 | 12 | G1/4" |
| ODQC-125 | 150 | 185 | 166 | 14 | G1/4" |
| ODQC-140 | 170 | 207 | 186 | 14 | G1/4" |
| ODQC-160 | 200 | 256 | 226 | 18 | G1/2" |
| ODQC-180 | 210 | 284 | 248 | 18 | G1/2" |
| ODQC-200 | 215 | 278 | 278 | 20 | G1/2" |
| 振動器型號 | 振動力(N) | 頻率 (Hz) | 耗氣量 (L/min) | 噪音 (dB) | 使用溫 (℃) | 重 量 (kg) | ||
| 0.3Mpa | 0.4 Mpa | 0.6 Mpa | ||||||
| ODQC-32 | 484 | 720 | 900 | 10-60 | 210 | 65 | -8~70 | 1.2 |
| ODQC-40 | 632 | 980 | 1150 | 10-50 | 250 | 65 | -8~70 | 2 |
| ODQC-50 | 712 | 1050 | 1300 | 10-40 | 270 | 65 | -8~70 | 3.3-3.8 |
| ODQC-63 | 923 | 1230 | 1900 | 10-30 | 310 | 75 | -8~70 | 4 |
| ODQC-80 | 1100 | 1923 | 2400 | 10-25 | 330 | 75 | -8~70 | 5.8 |
| ODQC-100 | 1382 | 2987 | 3880 | 10-22 | 350 | 75 | -8~70 | 8.3 |
| ODQC-125 | 2321 | 3400 | 4500 | 10-20 | 380 | 75 | -8~70 | 12 |
| ODQC-140 | 2578 | 3700 | 5000 | 10-18 | 420 | 75 | -8~70 | 18 |
| ODQC-160 | 3000 | 4000 | 5400 | 12-18 | 460 | 80 | -8~70 | 38 |
| ODQC-180 | 3500 | 4400 | 5800 | 12-16 | 590 | 85 | -8~70 | 45 |
| ODQC-200 | 4000 | 4800 | 6200 | 12-15 | 780 | 89 | -8~70 | 52 |



聯系我們
在線留言
服務支持